前言
汽车是人们生活中必不可少的“亲密伙伴”,大家对自己的“小伙伴”自然是放在心上,希望多一些了解。 对于机动车安全至关重要的年审,除了流程和检测项目,大家还有哪些了解呢?我们的机车是用什么设备进行检测?又是如何进行检测的呢? 想必大家都很好奇吧?那就随着小编,一点点揭开机动车检测设备的神秘面纱。
我们从零开始,先来了解一下与机动车检测设备相关的电气基础知识——低压配电系统接地方式。
电能是当今社会每个人、每个家庭、每个企业生产生活中都离不开的能量来源,为正确和安全用电,从本期开始,我们陆续推出介绍有关交流电在设备生产、设计、安装过程中以及日常生活中用到的知识。
电压等级划分,根据国标GB/T12326-2008划分如下:
低压≤1kV;1kV<中压≤35kV;35kV<高压≤220kV;220kV以上为超高压。常用的电压等级有:0.4kV、6kV、10kV、35kV、110kV、220kV、330kV、500kV、1000kV等。
从电能的生产到消费经历发、输、变、配、用五个环节。今天我们讲一下低压配电系统的接地方式。作为设计、施工人员,有必要了解这些接地方式的区别,才能更好的设计电气设备和正确的施工要求。
NOTE
根据国家标准,低压系统接地型式分TN、TT、IT三种。第一个字母表示电源端与地的关系。
T——电源端有一点直接接地;
I——电源端所有带电部分不接地或有一点通过阻抗接地。
第二个字母表示用电侧电气装置的外露可导电部分与地的关系。
T——电气装置的外露可导电部分直接接地,此接地点在电气上独立于电源侧的接地点;
N——电气装置的外露可导电部分与电源侧的接地点有直接电气连接。
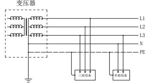
在继续讲解之前,解析几个术语。中性导体——电气上与中性点连接并能用于配电的导体(N)。保护导体——为安全目的设置的导体(PE)。保护中性导体——具有中性导体和保护导体两种功能的导体(PEN)。导体可以理解为电线、或者具有不同形状的矩形、圆形的铜棒、铝管等。

如图,三相L1、L2、L3的公共连接点N就是中性点,从中性点到埋到地中的这一段线,以及连接到用户侧的N线就是中性导体(中性线)。
01
TN系统
TN系统按照PE和N的配置,可分为下列三种类型
(1)
TN-S系统

在电源处,N线和PE接在一起,同时在电源处接地。此接线俗称三相五线制。
TN-S方式供电系统把工作零线N和专用保护线PE严格分开的供电系统。系统正常运行时,PE线上没有电流,只是零线N上有不平衡电流。PE线对地没有电压。专用保护线PE不允许断线,不允许进漏电保护开关。
在设计机电设备(比如摩托车检测移动方舱、尾气检测线设备、淋雨线设备等等)的安全防护时,可以安装带漏电保护的断路器,确保PE线接到设备外壳。
城市住宅建筑一般是TN-S系统,建筑内部必须做等电位联结,特别是浴室。在TN系统中,当配电箱或者配电回路同时直接或间接给固定式、手持式和移动式电气设备供电时,应作等电位联结。我们不希望发生楼上漏电,楼下老王被电死的悲剧。
(2)
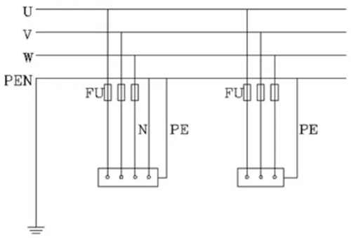
TN - C - S系统

TN-C-S系统从电源侧引出4根线,PE和N线合为一根PEN线,到用户侧再分为两根线(上图左侧是TN-C供电系统,右侧电气设备是TN-S供电系统),这种方式节省成本,从配电房到用电设备处距离较远的情况下,供电电缆少一根线,节省成本很多。
(3)
TN-C系统

TN-C系统零线N和保护线PE合在一起,设备外壳接零保护。TN—C系统不能接漏电保护器。
一旦出现外壳带电,发生火线碰壳时,接零保护系统能将漏电电流上升为短路电流,这个电流很大,实际上就是单相接地故障,熔断器的熔丝会熔断,低压断路器的脱扣器会立即动作跳闸,使故障设备断电。
02
TT系统

TT系统,电源侧的一点接地叫工作接地,装置的外露可导电部分应接到在电气上独立于电源系统接地的接地极上,这叫保护接地。TT系统适用于路灯照明、户外广告屏、室外临时用电(手持移动式电钻等)等场合。
TT系统在农村地区应用比较广泛。
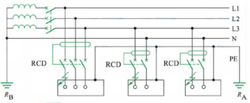
TT系统的缺点:当系统中设备发生绝缘损坏,出现相线碰壳时,电流必须通过保护接地极,穿越大地,经电源工作接地抵达电源,路途远,电阻大,故障电流不一定能让保护装置(低压断路器等)动作,造成漏电设备对地电位高于安全电压(50V),且长时间带电,造成危险。所以TT系统需装设漏电保护器,如图中的RCD。
特点:工作零线N与保护地线PE没有电的联系。保护措施:安装带漏电保护器的断路器,需计算接地电阻、线长、漏电流大小等。
03
IT系统

IT系统特点:有一相对地短路时,系统可以继续工作。适用于对电源要求不间断和防电击要求很高的场所。比如医院手术室、矿井下、爆炸危险场所、重要会议大厅的安全照明、计算机中心及高层建筑的消防应急电源等场合。系统需要安装绝缘监视设备。
如图,电气设备发生L1单相碰壳故障,就是单相接地故障,此时监视装置一般会发出声光报警信号,故障电流仅为系统电容电流,可以继续带电运行。继续运行的要求:Ra*Id≤50V