前 言
汽车是人们生活中必不可少的“亲密伙伴”,大家对自己的“小伙伴”自然是放在心上,希望多一些了解。对于机动车安全至关重要的年审,除了流程和检测项目,大家还有哪些了解呢?我们的机车是用什么设备进行检测?又是如何进行检测的呢?想必大家都很好奇吧?那就随着小编,一点点揭开机动车检测设备的神秘面纱吧!
我们从零开始,先来了解一下与机动车检测设备相关的电气基础知识——RCD与等电位联结。
概 述
RCD是剩余电流动作保护装置的英文名称Residual current protective devices的缩写,是一种“漏电”保护装置。RCD主要用来对危险的并且可能致命的电击故障提供防护,以及对持续接地故障电流引起的火灾危险提供防护。
剩余电流动作保护器简称剩余电流保护器 (RCD) ,广泛地用于低压配电系统中,其功能是检测供电回路的剩余电 流,将其与基准值相比较,当剩余电流超过该基准值时分断被保护电路。
额定剩余动作电流不超过30mA的RCD(IΔn≦ 30 mA)在基本保护措施失效或电器装置(设备)使用者疏忽的情况下,提供附加防护。
额定剩余动作电流不超过300mA的RCD(IΔn≦ 300 mA)在持续接地故障电流引起的火灾提供防护。
RCD漏电保护器工作原理

正常情况下,根据基尔霍夫电流定律,流过RCD互感器一次线圈的电流的向量和为0,它在铁心中无感应磁通,零序互感器二次线圈无输出。当触电时,触电电流经过人体、大地构成回路,这个电流不经过互感器一次线圈流回,破坏了平衡(电流穿过互感器后,经过地线流走,只进不回,所以穿过互感器的电流向量和不等于0)。于是铁心中便有零序磁通,使二次线圈输出信号,执行元件便动作跳闸。
额定剩余动作电流的标准值
额定剩余动作电流的标准值为6、10、30、100、300、500mA,额定剩余不动作电流是额定剩余动作电流的标准值的0.5倍。


RCD保护电器的主要功能或基本功能是提供故障防护,也就是说RCD用来防止电气装置可触及的金属部件上持续的危险电压,这些接地的金属部件原本不带危险电位,但在发生接地故障后“变成”带电,这是因为接地故障电流较小,无法让保护电器(断路器、熔断器等)的过电流保护动作所致。
这种漏电故障,在检测线上除了可能电到人之外,还可能会出现其他的后果,通讯设备和检测设备地电位差变大(故障电流流过PE地线的路径两端),导致通讯故障、系统死机、复位等,接地故障长时间不排除,导致故障点烧坏甚至发生电气火灾。
工程中的RCD应用
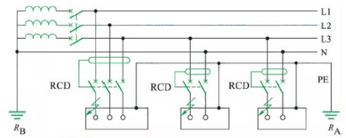
RCD保护电器的安装位置要求:只能安装在TT系统、TN—C—S系统PEN分为N线和PE线之后、TN—S系统。不能安装在TN-C系统中,因为TN—C系统中PEN是N线和PE线复合在一起,PE线不能穿过RCD,所以TN—C系统中的RCD在漏电故障时拒动。
RCD动作特性。对于IΔn = 30 mA的RCD,当其剩余电流大于30 mA时,RCD一定动作;当其剩余电流小于15 mA时,RCD一定不动作;当剩余电流在15 ∼ 30 mA区间内,RCD可能动作,也可能不动作,就像薛定谔的猫,不确定域。
IΔn0是RCD在规定条件下不动作的剩余电流。 IΔn0的优选值为0.5IΔn,通常,对于IΔn = 30 mA的RCD,其额定剩余不动作电流IΔn0 = 0.5 IΔn = 0.5 × 30 mA = 15 mA。
工业与民用供配电设计手册中对泄露电流的限制要求如下表。

住宅电气设计规范JGJ242-2011条纹说明中给出常用电器泄露电流数据。

国内常见电气设备的漏电流范围:计算机,1 ~ 2 mA;打印机,0.5 ~ 1 mA;小型移动式电器,0.5 ~ 0.75 mA;电传复印机,0.5 ~ 1 mA;复印机,0.5 ~ 1.5 mA。在确定RCD保护范围时,需要计算线路所带负载的固有泄露电流大小,不要超过0.3IΔn。检测线三相动力设备用额定电流除1000来估算泄露电流。
电磁式RCD和电子式RCD
电磁式RCD比电子式RCD理论上讲更可靠些,电子式RCD内部有电子元件。

RCD与等电位联结
RCD不能防止PE线上从别处传来的故障电压引起的电击事故。浙江小女孩爬在未运行的电动门上玩耍、深圳一保安无意触及静止的电动门均遭电击,不幸身亡。经查,门卫处配电箱的RCD运行正常,并未发生过接地故障,恐怕都与TN系统内传导过来的危险电压有关啊!
假设检测车间主控室内暖气管带电(别处传来的)室内暖气片附近有一个控制柜。如果有人同时触及暖气管和控制柜,控制柜里面的RCD是不会自动保护的,人就会触电。这时需要用到附加措施-等电位联结,将暖气管与控制柜用导线联结到一起,同时接到保护等电位联结板。

如上图,图中标记:MEB是总等电位联结板,LEB是局部等电位联结板。6为1楼配电箱,5为2楼配电箱,3为配电箱内等电位联结板,4为墙内钢筋接地网,1为2楼办公室除湿机,2为暖气片。为了防止除湿机发生接地故障时与临近暖气片之间的接触电压,在办公室设置局部等电位联结。
人体接触电压正常情况下,安全电压为50交流均方根值,直流120V。在潮湿条件下,不超过25V。水下为12V。